| Specification | |||||
| Parameter | Unit | LMU010-CP71 | LMU010-CP131 | LMU010-CP191 | LMU010-CP252 |
| A | A | A | A | ||
| Performance Specifications | |||||
| Continuous Force | N | 30 | 58 | 80 | 105 |
| Peak Force | N | 210 | 406 | 560 | 735 |
| Electrical Specifications | |||||
| BEMF Constant(line-line,peak) | V/(m/s) | 12.28 | 24.57 | 36.85 | 49.14 |
| Continuous Current | Arms | 1.99 | 1.92 | 1.76 | 1.74 |
| Peak Current,Stall | Arms | 13.90 | 13.43 | 12.35 | 12.16 |
| Force Constant | N/Arms | 15.11 | 30.22 | 45.33 | 60.44 |
| Motor Constant | N/√W | 4.30 | 7.29 | 9.04 | 11.08 |
| Resistance,25°C (line-line) | Ω | 6.06 | 12.13 | 18.19 | 24.26 |
| Inductance,(line-line) | mH | 0.85 | 1.70 | 2.55 | 3.40 |
| Thermal Resistance | °C/W | 2.21 | 1.38 | 1.1 | 0.9 |
| Maximum Bus Voltage | VDC | 340 | 340 | 340 | 340 |
| Machanical Specifications | |||||
| Coil Weight | kg | 0.1 | 0.18 | 0.27 | 0.38 |
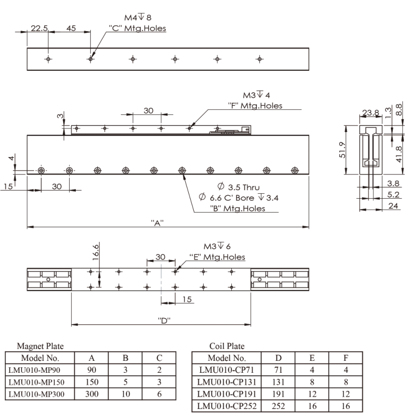
| Coil Length | mm | 71 | 131 | 191 | 252 |
| Magnet Track Weight | kg/m | 4.28 | |||
| Magnetic Pole Pitch (NN) | mm | 30 | |||