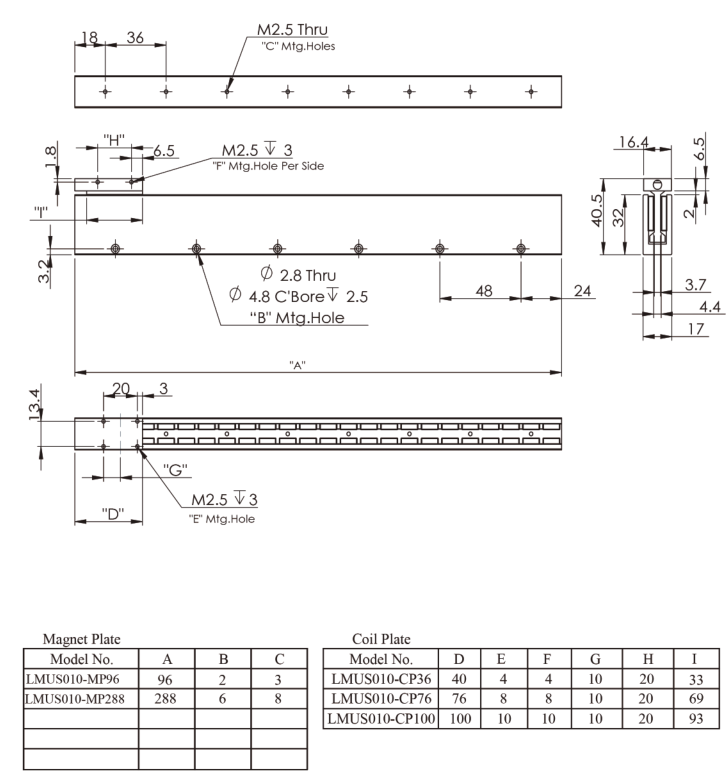
| Specification | | | | | |
| Parameter | Unit | LMUS010-CP36 | LMUS010-CP76 | LMUS010-CP100 | |
| A | A | A | |
| Performance Specifications |
| Continuous Force | N | 9.5 | 21 | 31 | |
| Peak Force | N | 66.5 | 147 | 217 | |
| Electrical Specifications |
| BEMF Constant(line-line,peak) | V/(m/s) | 3.9 | 9.21 | 12.9 | |
| Continuous Current | Arms | 1.98 | 1.86 | 1.96 | |
| Peak Current,Stall | Arms | 13.9 | 13 | 13.7 | |
| Force Constant | N/Arms | 4.27 | 10.77 | 14.95 | |
| Motor Constant | N/√W | 2.5 | 3.55 | 4.2 | |
| Resistance,25°C (line-line) | Ω | 2.2 | 5.5 | 7.7 | |
| Inductance,(line-line) | mH | 0.22 | 0.55 | 0.84 | |
| Thermal Resistance | °C/W | 6.5 | 2.8 | 1.8 | |
| Maximum Bus Voltage | VDC | 340 | 340 | 340 | |
| Machanical Specifications |
| Coil Weight | kg | 0.035 | 0.088 | 0.11 | |
| Coil Length | mm | 33 | 69 | 93 | |
| Magnet Track Weight | kg/m | 1.8 |
| Magnetic Pole Pitch (NN) | mm | 24 |