中文版
English
日文版
搜索
首页
关于我们
公司简介
企业荣誉
产品中心
直线电机
有铁芯直线电机
无铁芯直线电机
磁轴直线电机
磁轴直线电机
DD系列
DD马达
有刷/有刷伺服电机
有刷空心杯电机
有刷空心杯伺服电机
无刷/无刷伺服电机
驱动一体无刷伺服电机(有槽)
驱动一体无刷伺服电机(无槽)
无刷电机(无槽)
无刷高速电机(无槽)
无刷伺服电机(无槽)
无刷伺服高速电机(无槽)
无刷伺服抱闸电机(无槽)
关节电机
配件
减速箱
编码器
驱动器
新闻动态
企业动态
行业新闻
产品应用
应用领域
下载中心
下载中心
联系我们
联系方式
在线留言
当前位置 :
首页
>
产品中心
概览
配套
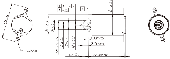
图纸
下载
DR1322B
数据表
下载
电机参数:
配套:
减速箱
P12H
减速机参数:
3D-CAD 文件
下载
数据表
技术信息
矩阵配件
操作手册
软件Motion Manager
3D-CAD 文件