中文版
English
日本語
ホーム
企業情報
会社概要
企業の栄誉
製品情報
リニアモータ
コア付リニアモータ
コアレスリニアモータ
LMU
LMUT
ジョイントモータ
ジョイントモータ
DDモータ
DDモータ
ブラシ付/ブラシ付サーボモータ
ブラシ付カップモータ
ブラシ付カップサーボモータ
ブラシレス/ブラシレスサーボモータ
ドライブ付・ブラシレス・サーボモータ(スロット)
ドライブ付・ブラシレス・サーボモータ(スロットレス)
ブラシレスモータ(スロットレス)
ブラシレス高速モータ(スロットレス)
ブラシレス・サーボモータ(スロットレス)
ブラシレス・サーボ高速モータ(スロットレス)
ブラシレス・ブレーキサーボモータ(スロットレス)
ジョイントモータ
オプション
減速機
エンコーダー
ドライバ
新着情報
企業動態
業界ニュース
ケース
アプリケーション
サービスとサポー
アプリケーション
お問い合わせ
アクセス
ライン相談
DDモータ
ホーム
製品情報
DDモータ
DDモータ
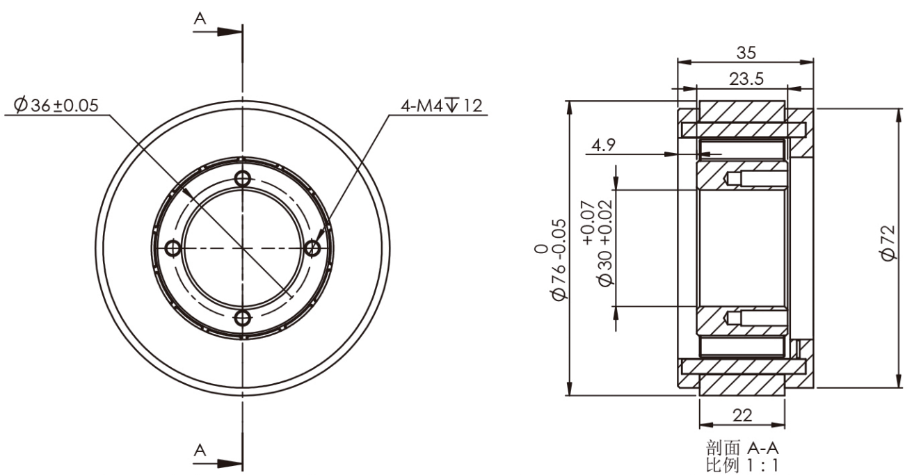
DD76
概観
グループ
図面
ダウンロード
DD76
データ表
ダウンロード
3D-CAD ファイル
ダウンロード
モーター仕様:
結線定義:
データ表
3D-CAD ファイル
×
Request A Quote
×
Search Results