中文版
English
日本語
ホーム
企業情報
会社概要
企業の栄誉
製品情報
リニアモータ
コア付リニアモータ
コアレスリニアモータ
LMU
LMUT
ジョイントモータ
ジョイントモータ
DDモータ
DDモータ
ブラシ付/ブラシ付サーボモータ
ブラシ付カップモータ
ブラシ付カップサーボモータ
ブラシレス/ブラシレスサーボモータ
ドライブ付・ブラシレス・サーボモータ(スロット)
ドライブ付・ブラシレス・サーボモータ(スロットレス)
ブラシレスモータ(スロットレス)
ブラシレス高速モータ(スロットレス)
ブラシレス・サーボモータ(スロットレス)
ブラシレス・サーボ高速モータ(スロットレス)
ブラシレス・ブレーキサーボモータ(スロットレス)
ジョイントモータ
オプション
減速機
エンコーダー
ドライバ
新着情報
企業動態
業界ニュース
ケース
アプリケーション
サービスとサポー
アプリケーション
お問い合わせ
アクセス
ライン相談
ブラシ付/ブラシ付サーボモータ
ホーム
製品情報
ブラシ付/ブラシ付サーボモータ
ブラシ付カップモータ
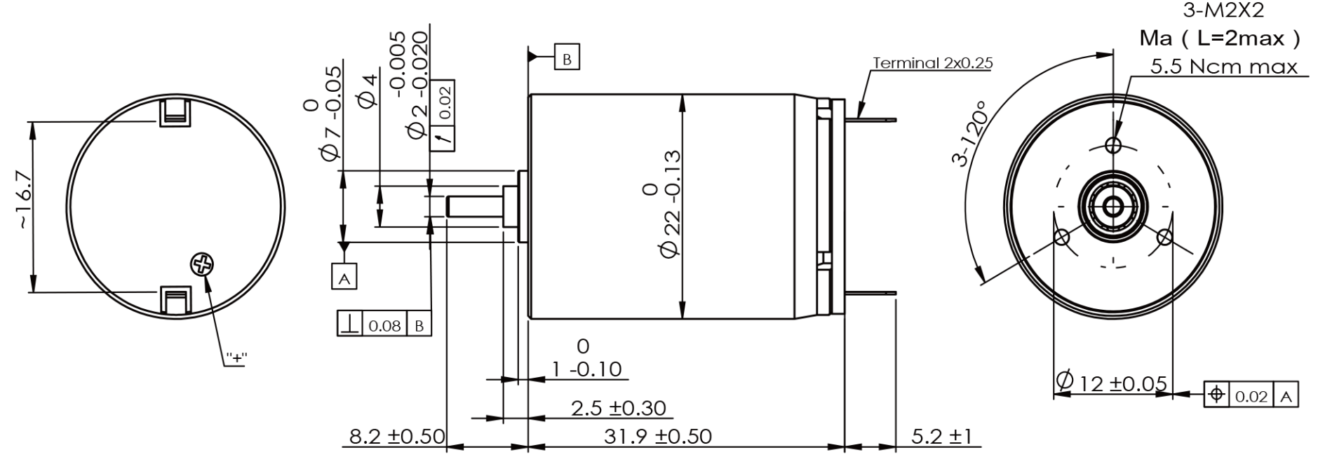
DRH2232B
概観
グループ
図面
ダウンロード
DRH2232B
データ表
ダウンロード
3D-CAD ファイル
ダウンロード
モーター仕様:
オプション:
減速機
:
P22H
減速機仕様:
ブラシ付カップサーボモータ
SRH2238B
減速機
P22H
エンコーダー
Magnet Encoder 22-30
データ表
3D-CAD ファイル
×
Request A Quote
×
Search Results