モーター仕様:
エンコーダ結線定義:
オプション:
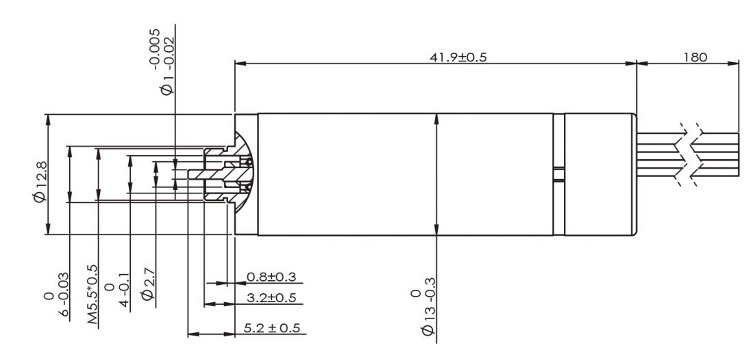
減速機:P12H

減速機仕様:
モータドライバ:
BLS010-S

詳細はBLS010-S単ページを参照してください

モーター仕様:
エンコーダ結線定義:
オプション:

減速機仕様:
モータドライバ:

