ブラシ付/ブラシ付サーボモータ

ホーム 製品情報 ブラシ付/ブラシ付サーボモータ ブラシ付カップサーボモータ
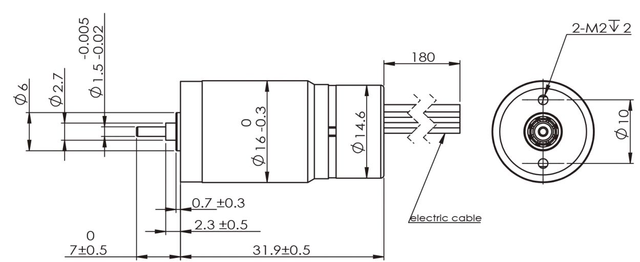
SR1632B
磁编 3通道 1000线

モーター仕様:

.

 エンコーダ結線定義:

オプション:

減速機 P16H


減速機仕様:


モータドライバ:

BLS010-S


詳細はBLS 010-S単ページを参照してください。