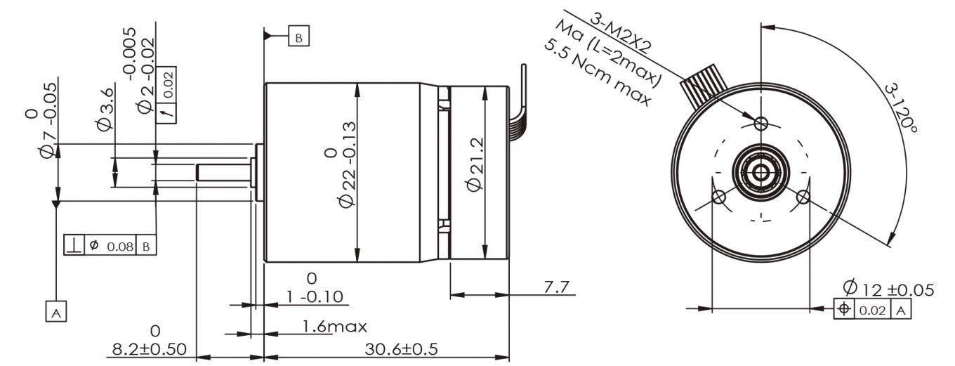
モーター仕様:
.
エンコーダ結線定義:
オプション:
減速機: P22H


減速機仕様:
モータドライバ:
BLS010-T
詳細はBLS 010-T単ページを参照してください。

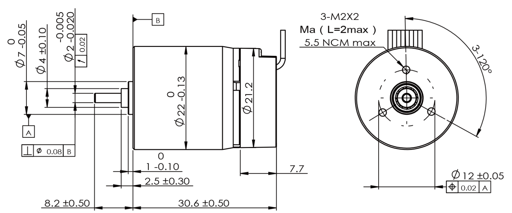
モーター仕様:
.
オプション:


減速機仕様:
モータドライバ:
