ブラシ付/ブラシ付サーボモータ

ホーム 製品情報 ブラシ付/ブラシ付サーボモータ ブラシ付カップサーボモータ
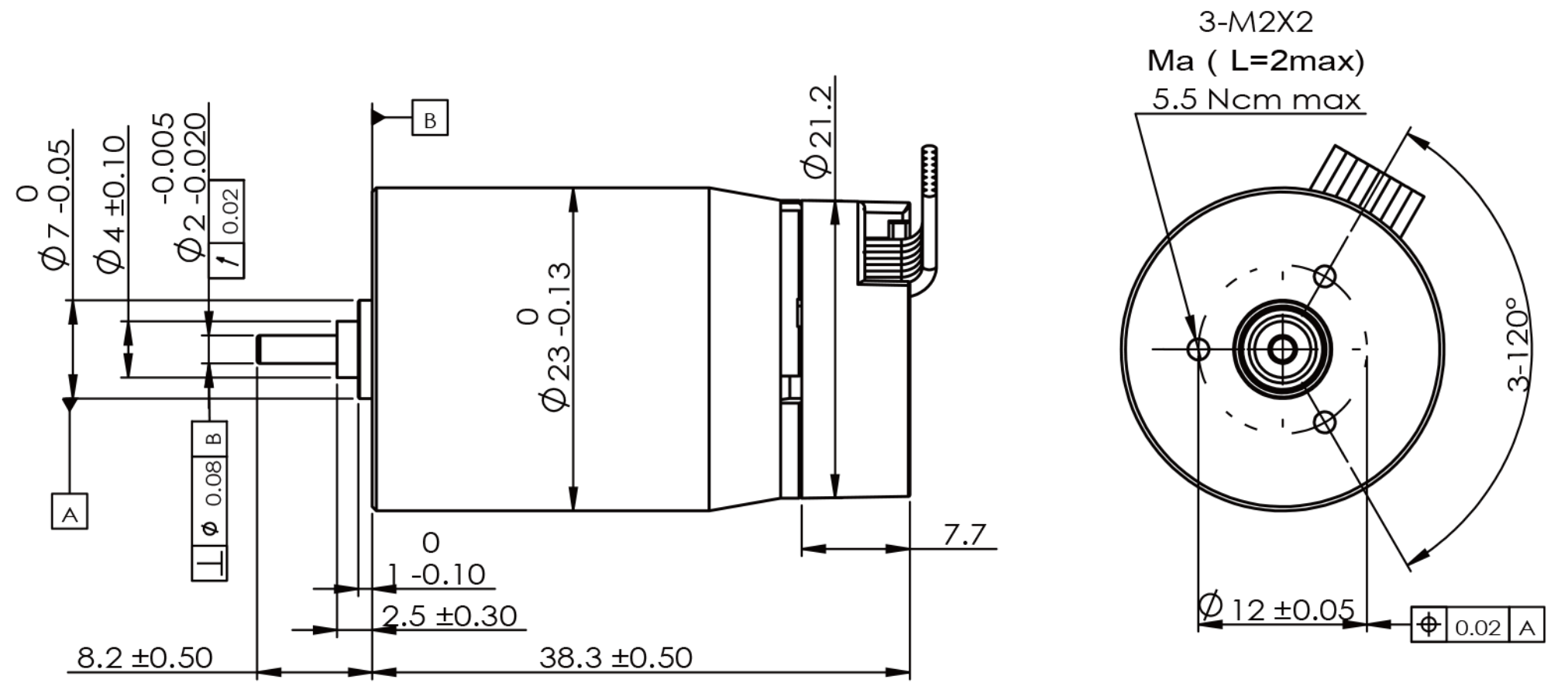
SR2338B
磁编 3通道 1000线

モーター仕様:

.

 エンコーダ結線定義:

オプション:

減速機 P22H


減速機仕様:

モータドライバ:

BLS010-T


詳細はBLS 010-T単ページを参照してください。