中文版
English
日本語
首页
关于我们
公司简介
企业荣誉
产品中心
直线电机
有铁芯直线电机
无铁芯直线电机
LMU系列
LMUT系列
磁轴直线电机
磁轴直线电机
DD系列
DD马达
有刷/有刷伺服电机
有刷空心杯电机
有刷空心杯伺服电机
无刷/无刷伺服电机
驱动一体无刷伺服电机(有槽)
驱动一体无刷伺服电机(无槽)
无刷电机(无槽)
无刷高速电机(无槽)
无刷伺服电机(无槽)
无刷伺服高速电机(无槽)
无刷伺服抱闸电机(无槽)
关节电机
配件
减速箱
编码器
驱动器
新闻动态
企业动态
行业新闻
产品应用
应用领域
下载中心
下载中心
联系我们
联系方式
在线留言
无刷/无刷伺服电机
首页
产品中心
无刷/无刷伺服电机
关节电机
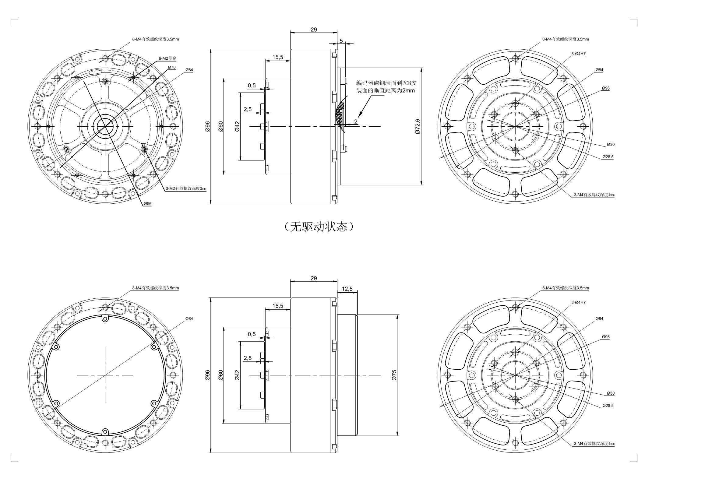
SJM8108-36
概览
配套
图纸
下载
SJM8108-36
数据表
下载
3D-CAD文件
下载
电机参数:
曲线图:
数据表
3D-CAD文件
×
Request A Quote
×
Search Results