current location : Home>Products


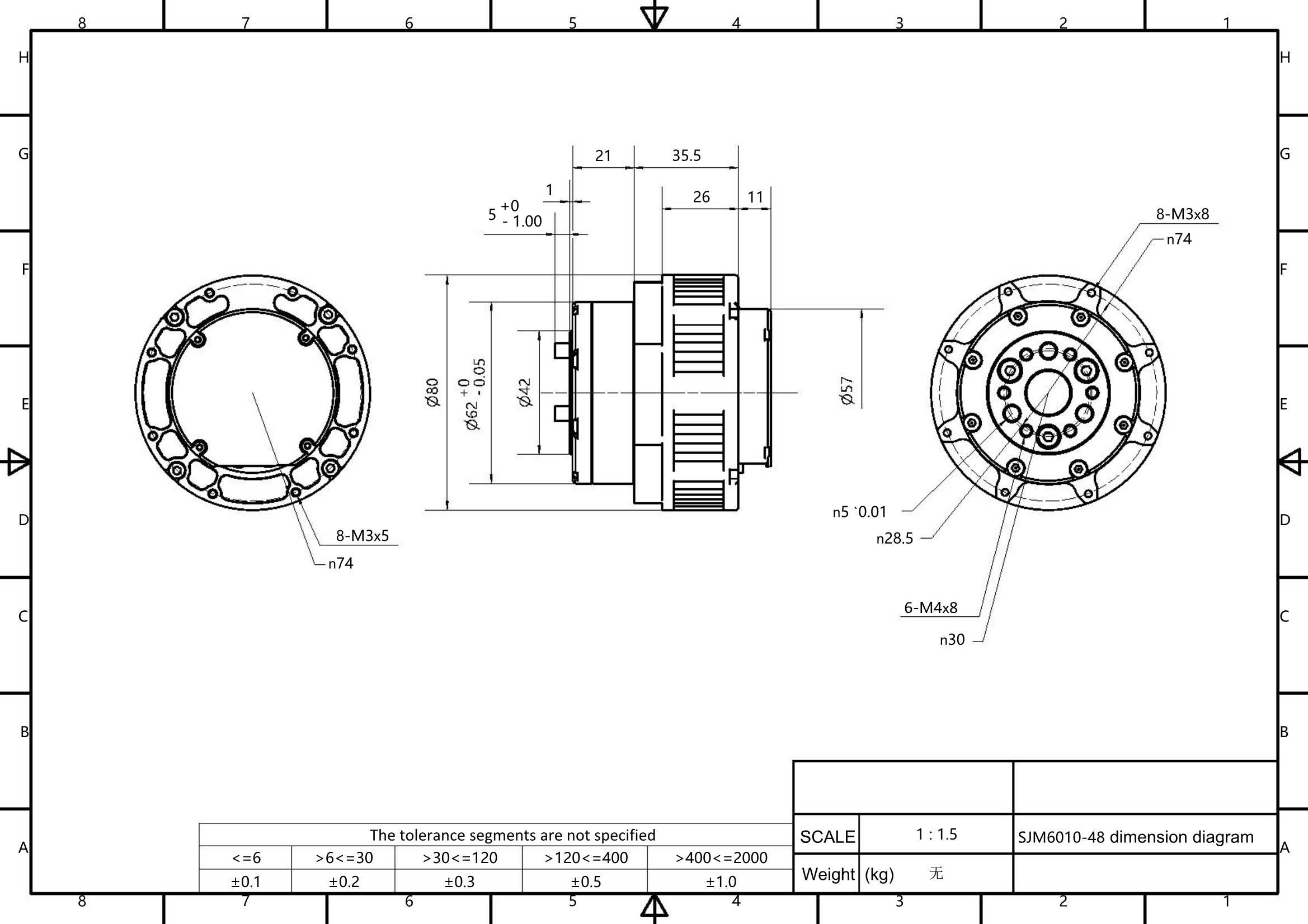
SJM6010-48

MotorSpecification


Data sheet

Technical information

Matrix fittings

Operation manual

Software Motion Manager

3D-CAD file