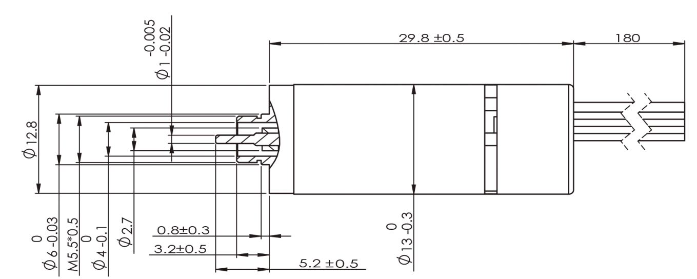
Motor Specification:
Motor Wiring:
Optional Accessory:
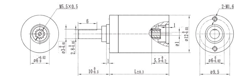
Gearbox:P12H


Gearbox Specification:
Motor Driver:
BLS010-S

Please refer to BLS010-S sheet fordetails

Motor Specification:
Motor Wiring:
Optional Accessory:


Gearbox Specification:
Motor Driver:

