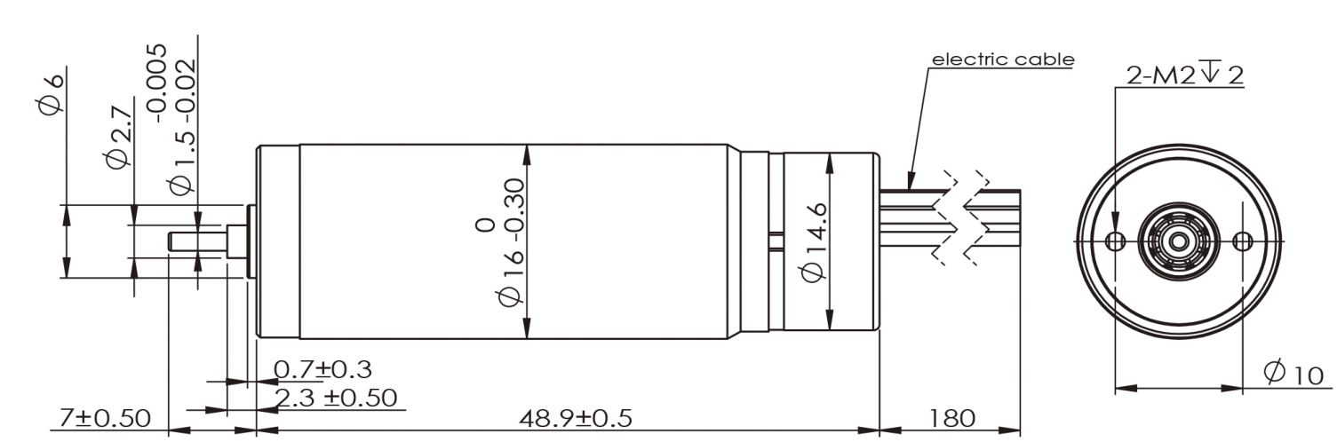
Motor Specification:
.
Motor Wiring:
Optional Accessory:
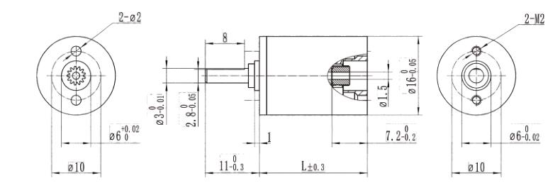
Gearbox: P16H


Gearbox Specification:
Motor Driver:
BLS010-S
Please refer to BLS010-S sheet for details

Motor Specification:
.
Optional Accessory:


Gearbox Specification:
Motor Driver:

