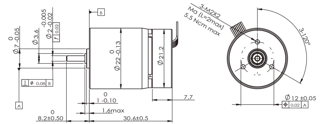
Motor Specification:
.
Motor Wiring:
Optional Accessory:
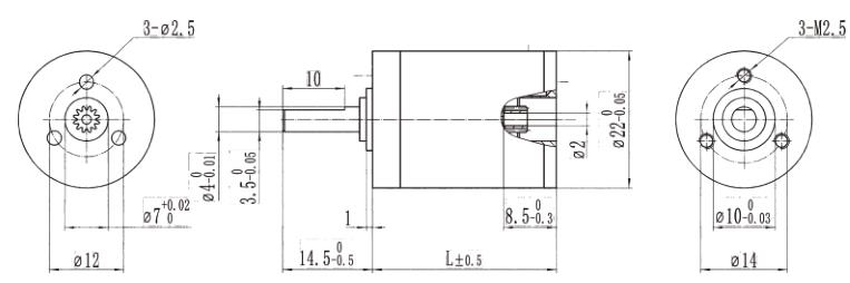
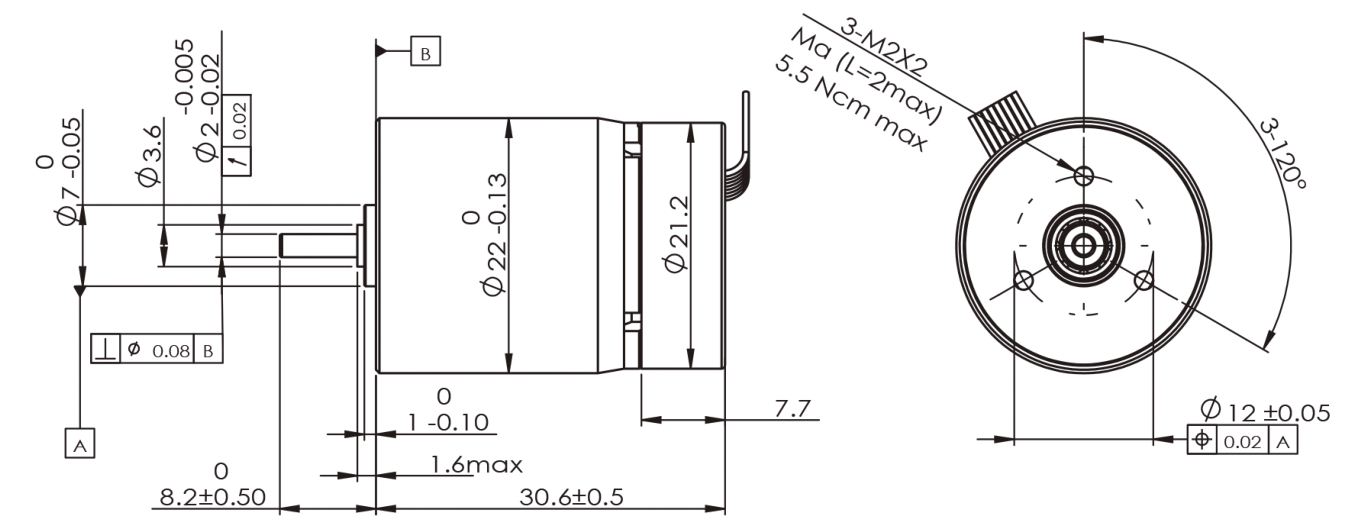
Gearbox: P22H


Gearbox Specification:
Motor Driver:
BLS010-T
Please refer to BLS010-T sheet for details

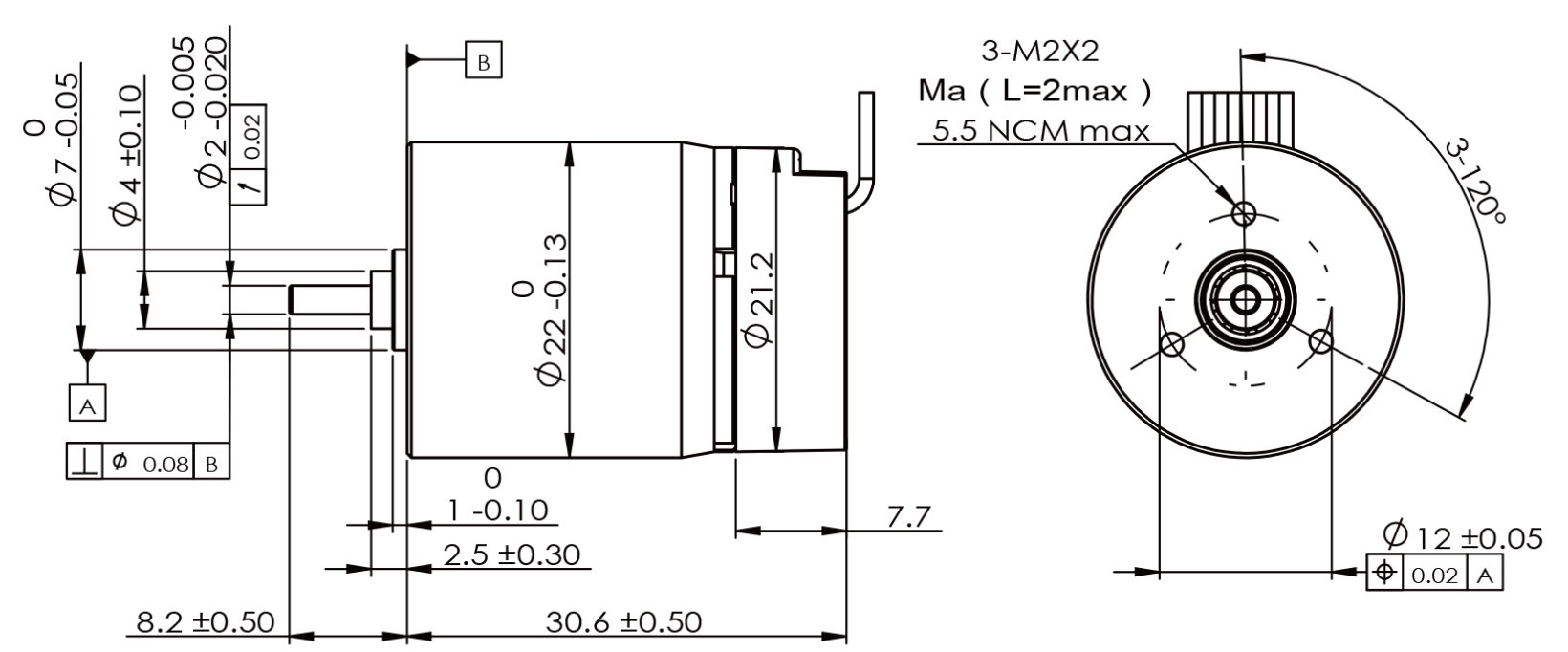
Motor Specification:
.
Optional Accessory:


Gearbox Specification:
Motor Driver:
