中文版
English
日本語
Home
About us
Company Profile
Enterprise Honor
Products
Linear Motor
Linear Motor (Ironcore)
Linear Motor (Ironless)
LMU Serise
LMUT Serise
Linear Shaft Motor
Linear Shaft Motor
DD Motor
DD Motor
DC Brushed/Brushed Servo Motor
DC Brushed Motor(Coreless)
DC Brushed Servo Motor(Coreless)
DC Brushless/Brushless Servo Motor
DC Brushless Motor(Slot)Built-in Driver
DC Brushless Motor(Slotless)Built-in Driver
DC Brushless Motor(Slotless)
DC Brushless High Speed Motor
DC Brushless Servo Motor(Slotless)
DC Brushless Servo High Speed Motor
DC Brushless Brake Servo Motor (Slotless)
Joint Motor
Optional Accessory
Gearbox
Magnet Encoder
Motor Driver
News
Notices
Entreprise's news
Applications
Applications
Download Center
Download Center
Contact us
Contact info
General Inquiry
DC Brushless/Brushless Servo Motor
Home
Products
DC Brushless/Brushless Servo Motor
DC Brushless Motor(Slot)Built-in Driver
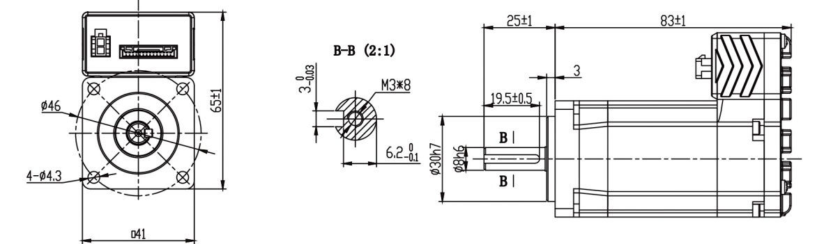
SMI4083B-D
Overview
Combination
Drawing
Download
SMI4083B-D
Data Sheet
Download
3D-CAD File
Download
Motor Specification
:
Motor Wiring
:
Data Sheet
3D-CAD File
×
Request A Quote
×
Search Results