Motor Specification:
Motor Wiring:
Motor Driver:
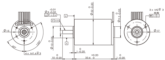
BL-010

Please refer to BL-010 sheet fordetails
Motor Specification:
Motor Wiring:
Motor Driver:
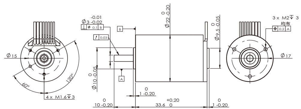
BL-010

Please refer to BL-010 sheet fordetails